全国客服热线:
导航菜单
导航菜单
网站首页
关于我们
企业文化
企业理念
产品中心
传动链条
输送链条
起重链条
农机链条
不锈钢链条
非标链条
链条接头
链轮规格
新闻中心
公司新闻
行业新闻
链条规格
传动链条
输送链条
工程链条
起重链条
农机链条
不锈钢链条
客户案例
木工机械设备
农业机械设备
矿山机械设备
建筑机械设备
石化通用机械设备
电工机械设备
食品机械设备
包装机械设备
园林机械设备
在线留言
联系我们
ZGS38联合收割机链及附件
农机链_ZGS联合收割机链
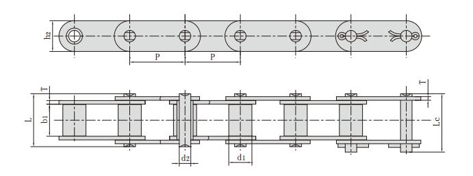
链号
节距
滚子直径
内节内宽
销轴直径
销轴长度
内链板高度
链板厚度
抗拉强度
平均抗拉强度
每米重量
mm
mm
mm
mm
mm
mm
mm
mm
kN/Ibf
kN
kg/m
ZGS38
38.0
16.00
22.0
9.00
39.0
43.0
21.5
3.0
45.0/10116
54.0
2.00
ZGS38HF7
38.0
16.00
22.0
9.00
47.0
51.0
21.5
5.0
80.0/18000
88.0
2.74
ZGS38F42
38.0
16.00
22.0
9.00
43.2
46.5
21.5
4.0
45.0/10116
54.0
2.43
CZGS38F10
38.0
15.88
22.0
7.92
39.0
43.0
21.3
3.0
45.0/10116
54.0
2.39
CZGS38F11
38.0
15.88
22.0
7.92
37.1
41.0
21.2
2.5
30.0/6745
33.0
2.10
CZGS38HF12
38.0
15.88
22.0
7.92
39.9
42.7
21.2
3.2
45.0/10116
54.0
2.42
CZGS38F13
38.0
16.00
22.0
9.00
39.0
43.0
21.5
3.0
45.0/10116
54.0
2.42
CZGS38HF36
38.0
15.88
22.0
7.92
40.5
44.0
21.3
3.5
50.0/11241
55.0
2.63
农机链(12)
上一篇:没有了
下一篇:
ZGS38F3_联合收割机链条
相关新闻
传动链条的润滑形式
2020-06-19
链条传动对润滑剂的要求
2020-06-19
滚子链条得润滑该如何选择?
2020-06-19
旋耕机使用后如何保养?
2020-06-18
农机专家告诉你如何选择微耕机?
2020-06-18
新闻中心
旋耕机链条
农机传动箱用链条
联合收割机链
ZGS38联合收割机链及附件
ZGS38联合收割机链及附件
水稻收割机链
S型钢制农机链
A型钢制农机链
CA型钢制农机链
S型钢制农机链附件
C型钢制农机链附件
CA型钢制农机链附件
O型密封圈农机链
特殊农机链及附件
钢制销合链
钢制销合链附件
新闻中心
传动链条的润滑形式
链条传动对润滑剂的要求
滚子链条得润滑该如何选择?
旋耕机使用后如何保养?
农机专家告诉你如何选择微耕机?
联系我们
联系人:
手 机:
电 话:
邮 箱:
公 司:
地 址:
分享
手机
分类
顶部