全国客服热线:
导航菜单
导航菜单
网站首页
关于我们
企业文化
企业理念
产品中心
传动链条
输送链条
起重链条
农机链条
不锈钢链条
非标链条
链条接头
链轮规格
新闻中心
公司新闻
行业新闻
链条规格
传动链条
输送链条
工程链条
起重链条
农机链条
不锈钢链条
客户案例
木工机械设备
农业机械设备
矿山机械设备
建筑机械设备
石化通用机械设备
电工机械设备
食品机械设备
包装机械设备
园林机械设备
在线留言
联系我们
糖机链
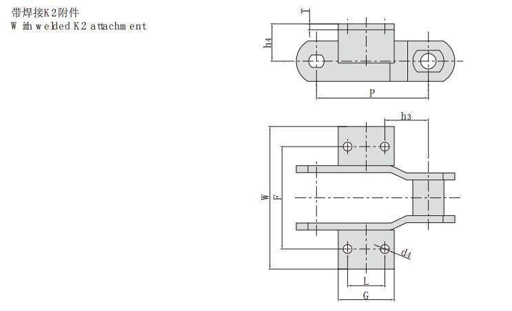
SM228.6F3K2_糖机链 工程链条
链条型号
P
F
W
L
G
h3
h4
d4
T
mm
mm
mm
mm
mm
mm
mm
mm
mm
SM228.6F3K2
228.6
209.6
291.3
76.2
114.3
88.9
76.2
18.0
12.0
工程链条(142)
糖机链(19)
SM228.6F3K2(1)
上一篇:
SM101.6F1-AS2_糖机链 工程链条
下一篇:
SM101.6F4A2_糖机链 工程链条
相关新闻
传动链条的润滑形式
2020-06-19
链条传动对润滑剂的要求
2020-06-19
滚子链条得润滑该如何选择?
2020-06-19
旋耕机使用后如何保养?
2020-06-18
农机专家告诉你如何选择微耕机?
2020-06-18
新闻中心
提升机用输送链
刮板输送链
洗煤机链条
带附板输送链
洗瓶机输送链
橡胶手套输送链
污水处理链
双铰接输送链
工程用钢制套筒链
工程用钢制套筒链附件
钢厂用输送链
块式链
工程用焊接结构弯板链
工程用焊接结构弯板链附件
曳引用焊接结构弯板链
曳引用焊接结构弯板链附件
筑路机械链
棕油链
糖机链
汽车生产线链条
FU系列提升链
新闻中心
传动链条的润滑形式
链条传动对润滑剂的要求
滚子链条得润滑该如何选择?
旋耕机使用后如何保养?
农机专家告诉你如何选择微耕机?
联系我们
联系人:
手 机:
电 话:
邮 箱:
公 司:
地 址:
分享
手机
分类
顶部