全国客服热线:
导航菜单
导航菜单
网站首页
关于我们
企业文化
企业理念
产品中心
传动链条
输送链条
起重链条
农机链条
不锈钢链条
非标链条
链条接头
链轮规格
新闻中心
公司新闻
行业新闻
链条规格
传动链条
输送链条
工程链条
起重链条
农机链条
不锈钢链条
客户案例
木工机械设备
农业机械设备
矿山机械设备
建筑机械设备
石化通用机械设备
电工机械设备
食品机械设备
包装机械设备
园林机械设备
在线留言
联系我们
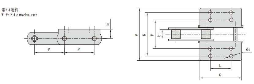
M系列带附板输送链
M112K4-S-100_M系列带附板输送链
链号
P
b1
h4
F
K
W
L
G
d4
mm
mm
mm
mm
mm
mm
mm
mm
mm
M112K4-S-100
100.00
32.00
31.50
96.00
146.00
176.00
70.00
140.00
12.00
M112K4-S-100(1)
上一篇:
M112K2F4-P-200_M系列带附板输送链
下一篇:
M80F29-S-100_M系列带附板输送链
相关新闻
传动链条的润滑形式
2020-06-19
链条传动对润滑剂的要求
2020-06-19
滚子链条得润滑该如何选择?
2020-06-19
旋耕机使用后如何保养?
2020-06-18
农机专家告诉你如何选择微耕机?
2020-06-18
新闻中心
A系列直链板链条
B系列直链板链条
短节距输送链附件
A系列输送链特殊附件
B系列输送链特殊附件
短节距加长销输送链
特殊加长销输送链
双节距输送链
双节距输送链附件
双节距带特殊附件输送链
双节距加长销输送链
倍速链
带大滚轮输送链
带侧滚轮输送链
带特殊滚轮输送链
带顶滚轮短节距输送链
带顶滚轮双节距输送链
木材输送链及附件
尖齿链
橡胶附板链
带U型附件链条
带塑料附板链条
塑料链条
带塑料滚子输送链
M系列输送链
M系列带附板输送链
M系列带加长销输送链
MT系列输送链
MC系列空心销轴输送链
FV系列输送链
FV系列带附板输送链
FVT系列输送链
FVC系列空心销轴输送链
Z系列输送链
Z系列带附板输送链
ZE系列输送链
ZC系列空心销轴输送链
非标空心销轴输送链
输送链
带附板输送链
带加长销输送链
纺织机械用链条
夹膜链
拖板链
纸卷用输送链
印铁烘房线链条
顶板输送链
双向活动链
空心销轴输送链
自动扶梯梯级链
自动人行道踏板链
人造板设备链
喷涂设备输送链
烟草机械输送链
新闻中心
传动链条的润滑形式
链条传动对润滑剂的要求
滚子链条得润滑该如何选择?
旋耕机使用后如何保养?
农机专家告诉你如何选择微耕机?
联系我们
联系人:
手 机:
电 话:
邮 箱:
公 司:
地 址:
分享
手机
分类
顶部